-
2025.09.28
-
1516
【应用方案】BG大游微电子经济型低速数字隔离器CS817x2x在家电及工业上的应用
本篇重点介绍BG大游微电子数字隔离器CS817x2x产品的特点、隔离参数以及典型应用。该产品具有超高的性价比,非常适合在400 VRMS电压以下的系统中,作为信号的隔离使用。
01
介绍
隔离是一种防止系统两部分之间有较大的直流或交流干扰的方法,同时允许信号可以在这两部分系统正常传输。隔离可以保护操作人员;保护设备并防止高压系统中干扰损坏昂贵的处理器;切断长距离、多节点通信时,通信网络中的接地回路。
主流的隔离方法有三种,基于光电耦合的隔离、基于变压器的磁耦合隔离以及基于二氧化硅(SiO2)介质的电容耦合隔离。目前低速隔离通信以光耦和电容隔离为主,高速隔离通信三种方案并存。
低速光耦隔离,在各种使用场景中具有以下问题:
1)普通低速光耦在115200bps的速率下,通讯不太稳定,容易出现误码,可靠性不高。
2)光耦为电流型器件,翻转所需的电流一般要5mA以上,而数字隔离器一般只需要1mA。
3)普通光耦随着温度的升高,通讯容易发生异常。为保证可以在全温度范围、全生命周期可靠运行,需要设计复杂外围电路来实现。
4)普通光耦多采用红光发光LED和光电二极管,器件之间的电压电流特性、光电特性、光衰特性具有较差的一致性。
5)光耦寿命一般只有10年,在一些应用场景中是不够的。如2020新版的国网标准要求隔离寿命16年以上,光耦就很难实现。
BG大游微电子CS817x2x隔离器系列,具有200Kbps的传输速率,该速率下仅需160μA 电流,可以支持 -40~105°C 的工作温度,400VRMS的隔离工作电压,高达40年工作寿命,适用于很多应用领域。如家电领域的,冰箱及空调的压缩机控制,热水器,吸油烟机,空气净化器等;工厂和楼宇自动化控制,如PLC,伺服控制,变频控制等,以及智能电表,电动两轮车,换电柜,自动贩卖机,园林电动工具等。
02
CS817x2x隔离器特性
BG大游微电子隔离技术基础
BG大游微电子隔离器使用二氧化硅作为信号隔离的电绝缘介质。通常使用两个串联的二氧化硅电容器,即在隔离栅的每侧各一个,从而实现高压隔离,等效隔离图示如图1所示。与基于传统的光耦和电感的(磁隔)隔离器相比,二氧化硅所提供的介电强度较高,不会因暴露于环境湿度而退化,并且可以有大于40年的隔离寿命。为了更深一层关于BG大游隔离技术的说明,请参阅使高压信号隔离质量和可靠性。

图 1 :串联电容器隔离
关键性隔离规格参数
在选择正确的数字隔离器之前,应了解关键的隔离规格参数,对设计人员来说,了解系统应用的隔离规范要求是很重要的,只有知道所需要的隔离要求,设计师才可以知道隔离器对系统能提供多大的保护,如隔离器能承受的最大电压是多少?数字隔离器的高压隔离性能,如最大瞬态隔离电压(VIOTM),最大隔离电压(VISO),最大浪涌隔离电压(VIOSM),最大重复峰值隔离电压(VIORM),最大工作隔离电压(VIOWM),共模瞬态抗扰度(CMTI)。这些参数代表数字隔离器处理高压的能力,不同大小的耐压和瞬态响应是选择隔离器的标准。
最大瞬态隔离电压(VIOTM)
IEC 60747-5-5和VDE 0884-11中规定:隔离器在不发生故障的情况下可处理长达60秒的峰值瞬态电压。系统电源上的电弧或负载变化会引起干扰,电压可能会短暂地变成线路电压的几倍。隔离器必须能够在不损坏的情况下处理这些过电压。
最大隔离电压(VISO)
与VIOTM相似,根据UL 1577,隔离耐受电压定义为隔离器能够在60秒内不发生击穿的电压的均方根(rms)值,电压的差值是峰值。
最大浪涌隔离电压(VIOSM)
隔离器承受特定的瞬态电压的极高电压脉冲的能力。该波形图 2所示。此参数表示直接和间接浪涌冲击。根据IEC 60747-5-5和VDE 0884-11,具有最大浪涌隔离电压VIOSM的隔离器必须在峰值电压为VIOSM的1.3倍时通过浪涌测试,以实现基本隔离,和1.6倍的VIOSM加强隔离。当通过10kV以上的浪涌试验时,数字隔离器可以称为组件级增强型。

图2:隔离器抗瞬态电压能力
最大重复峰值隔离电压(VIORM)
在IEC 60747-5-5和VDE 0884-11中定义为隔离器能够承受的最大重复峰值电压。本规范旨在鉴定隔离器在每天连续的隔离电压。
最大工作隔离电压(VIOWM)
类似于最大重复峰值电压,工作电压为最大有效值,或等效直流电压,隔离器能够在规定的长寿命内承受。同样,差异是以rms表示的值,而不是峰值电压。
共模瞬态抗扰度(CMTI)
共模瞬态抗扰度是指隔离器在其两个接地之间承受高转换率电压瞬变的能力,而不会损坏通过它的信号,这可能会导致信号传输错误。在某些应用中,由瞬变引起的这些信号误差可导致短路事件。更高的CMTI表明隔离通道更加可靠。
爬电距离和电气间隙
爬电和间隙是指沿封装表面的距离,以及隔离器一侧插脚与另一侧插脚之间的空气距离。该距离由基于隔离电压要求等参数的系统级标准规定。
CS817x的这些隔离参数可详见于数据手册。
表1 CS817x2x VDE 隔离参数

表2 CS817x2x UL隔离参数

CS817x2x系列产品特性
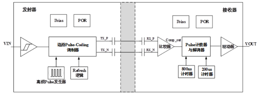
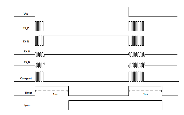
CS817x2x是一系列低功耗双通道数字隔离器,采用BG大游微电子专利技术“CAPACITIVE DIGITAL ISOLATOR CIRCUIT WITH ULTRA-LOW POWER CONSUMPTION BASED ON PULSE-CODING”(美国发明专利,专利号:US 11,418,179 B2)。该技术融合pulse与OOK (ON-OFF-KEY) 调制,但比pulse调制更为可靠,同时可以实现极低的低静态功耗。在隔离CMOS数字IO时,CS817x器件可提供高电磁抗扰度和低辐射。所有器件版本均具有施密特触发器输入,可实现高抗噪性能。每条隔离通道的逻辑输入和输出缓冲器均由二氧化硅绝缘栅隔离。基本调制与解调的工作原理如下图:

图3 Pulse-coding容隔调制解调技术
通过检测信号上升沿和下降沿来判断和还原信号的高低电平,其他时间段芯片可以处于低功耗模式,从而整体上可以实现非常低的功耗。同时因为绝大部分时间器件处于低功耗状态,可以改善整体的EMI特性。

图4 Pulse-coding容隔调制解调原理
CS817x2x系列产品的优势概括如下:
1)实现极低静态和动态电流:90μA @ 3.3V,静态条件 ;160μA @ 3.3V,200kbps传输速率;
2)Pulse-coding技术:高可靠性、融合了OOK调制和脉冲调制的优势;
3)Refresh技术:确保输出与输入的状态在任何情况下一致;
4)固定解调时间窗口:极小的脉宽失真(PWD),最大100ns。
下表为CS817x2x选型表:

03
典型应用
根据隔离器在应用系统中实现的功能,可以分为:
a)模块之间串口通信隔离
b)ADC输出信号与MCU之间隔离
c)比较器输出信号与MCU之间隔离
d)MCU控制信号与电机驱动器之间隔离
e)MCU控制信号与继电器控制器之间隔离
f)具有不同参考地的MCU之间隔离
下面将列举一些典型的应用案例。
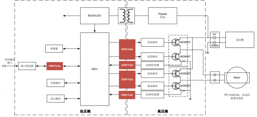
01 吸油烟机
图 5 展示了吸油烟机的电路框图。220V单相电整流成310V的直流电,该直流电通过一个H桥驱动用于风扇的有刷直流电机。从框图中可以看出数字隔离器主要用于对外通信,高压侧H桥的控制,高压侧电压电流采样和比较的隔离。

图 5 吸油烟机示意框图
02 PLC
图 6 展示了PLC的电路框图。CS817x2x适用于电网单向供电系统(器件400VRMS 隔离耐压),工业可编程逻辑控制系统包含模拟输入、模拟输出、数字输入、数字输出、通信接口等内外部的连接模块。
这些部分都需要隔离器进行隔离,以此来保护PLC控制器芯片。

图 6 PLC示意框图

图 7 具有 PLC 输入模块的环路供电式现场发送器
03 智能电表
图 8 展示了智能电表的电路框图。主要用于单向电表。智能电表内部一般有两个模块需要隔离,计量模块与MCU之间,以及MCU与RS485收发器之间。CS817x2x具有200kbps的传输速率、极低的静态和动态电流、40年的隔离寿命、以及较高的性价比,非常适合这类的应用。

图 8 智能电表示意框图
04 换电柜
图 9 展示了换电柜的电路框图。换电柜一般会有一块主控板和很多块充电仓从控制板,他们之间一般通过数字隔离器和接口收发器进行互联互通。

图 9 换电柜示意框图
05 电动两轮车
图 10 展示了电动两轮车的电路框图。电动两轮车一般采用48V蓄电池系统,车身控制模块,电机控制模块,以及喇叭、照明、显示、制动、加减速单元等。他们之间通过隔离器和接口,进行互联互通。

图 10 电动两轮车示意框图
04
总结
本文主要介绍BG大游微电子数字隔离器CS817x2x产品的特点,隔离参数,以及典型应用。该产品具有较高的性价比,非常适合在400 VRMS电压以下的系统中,作为信号的隔离使用。如想了解更多参数,可参考该产品的数据手册。