CA-IS3211VBJ

f_ico02.svg

量产

光耦兼容单通道隔离式栅极驱动器

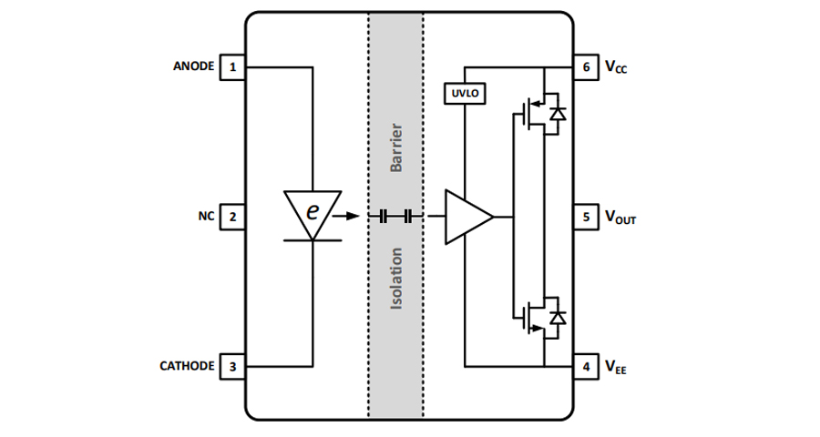
CA-IS3211是一款光耦兼容的单通道隔离式栅极驱动器, 可用于驱动MOSFET、IGBT和SiC器件。隔离等级达到 5.7kVRMS,芯片可提供5A拉、6A灌输出峰值电流能力。 高达30V的电源电压范围允许使用双极性电源来有效驱 动IGBT和SiC功率FET。该芯片的性能亮点包括:高共 模瞬态抗扰度(CMTI)、低传输延迟、低脉冲宽度失真。 严格的工艺控制使得芯片一致性较好。输入级是模拟二 极管,与传统的光耦隔离栅极驱动器的LED相比,具有 更好的长期可靠性和老化特性。高性能和高可靠性使得 该芯片适用于工业电源、光伏逆变器、车载充电器、直 流电机控制以及汽车空调与加热系统。CA-IS3211可以 驱动高压侧及低压侧的功率管,既能够完全兼容传统的 光耦栅极驱动器,又显著提高了驱动的性能。

package-soic6-wb-j.png
  • 特性

    光耦输入的5.7 kVRMS单通道隔离式栅极驱动器

    输出峰值电流:

    5A拉 / 6A灌

    最大30V输出驱动电源电压

    8V (B) 或12V (C) VCC 欠压锁定阈值轨到轨输出

    70 ns(典型值)传输延迟

    25 ns(最大)部件对部件延迟匹配

    35 ns(最大)脉冲宽度失真

    150 kV/μs(最小)共模瞬态抗扰度(CMTI)

    隔离栅寿命大于40年

    输入级最高反向耐压7 V,并支持互锁

    宽体SOIC6-WB/SOIC8-WB封装,气隙和爬电距离大于8.5 mm

    工作结温范围TJ:

    -40°C到150°C

  • 应用

    • 工业电机控制驱动器

    • 工业不间断电源(UPS)

    • 太阳能逆变器

    • 充电桩

    • 储能变流器

  • 器件信息

    P器件型号封装封装尺寸(标准值)
    CA-IS3211VBJSOIC6-WB4.68 mm x 7.5 mm
    CA-IS3211VCJSOIC6-WB4.68 mm x 7.5 mm
    CA-IS3211VBGSOIC8-WB5.85 mm x 7.5 mm
    CA-IS3211VCGSOIC8-WB5.85 mm x 7.5 mm
    CA-IS3211SBGSOIC8-WB5.85 mm x 7.5 mm
    CA-IS3211SCGSOIC8-WB5.85 mm x 7.5 mm
    CA-IS3211VBUDUB89.2 mm x 6.35 mm
    CA-IS3211VCUDUB89.2 mm x 6.35 mm
  • 简化通道结构图

    未标题-3.jpg